Product Summary
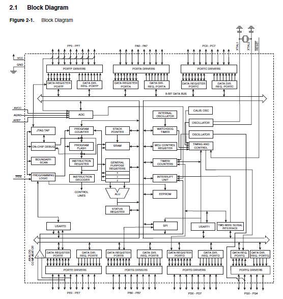
The Atmel AVR ATMEGA128A-AU is a low-power CMOS 8-bit microcontroller based on the AVR enhanced RISC architecture. By executing powerful instructions in a single clock cycle, the ATMEGA128A-AU achieves throughputs approaching 1MIPS per MHz allowing the system designer to optimize power consumption versus processing speed.
Parametrics
ATMEGA128A-AU absolute maximum ratings: (1)Operating Temperature: -55℃ to +125℃; (2)Storage Temperature: -65℃ to +150℃; (3)Voltage on any Pin except RESET with respect to Ground: -0.5V to VCC+0.5V; (4)Voltage on RESET with respect to Ground: -0.5V to +13.0V; (5)Maximum Operating Voltage: 6.0V; (6)DC Current per I/O Pin: 40.0 mA; (7)DC Current VCC and GND Pins: 200.0 - 400.0 mA.
Features
ATMEGA128A-AU features: (1)High-performance, Low-power AVR 8-bit Microcontroller; (2)Advanced RISC Architecture: 133 Powerful Instructions ?Most Single Clock Cycle Execution, 32 x 8 General Purpose Working Registers + Peripheral Control Registers, Fully Static Operation, Up to 16 MIPS Throughput at 16 MHz, On-chip 2-cycle Multiplier; (3)I/O and Packages: 53 Programmable I/O Lines, 64-lead TQFP and 64-pad QFN/MLF; (4)Operating Voltages: 2.7 - 5.5V; (5)Speed Grades: 0 - 16 MHz.
Diagrams

| Image | Part No | Mfg | Description | ![]() |
Pricing (USD) |
Quantity | ||||||||||||
|---|---|---|---|---|---|---|---|---|---|---|---|---|---|---|---|---|---|---|
![]() |
![]() ATmega128A-AU |
![]() Atmel |
![]() 8-bit Microcontrollers (MCU) 128K Flash 4K EEPROM 4K SRAM 53 IO Pins |
![]() Data Sheet |
![]()
|
|
||||||||||||
![]() |
![]() ATMEGA128A-AUR |
![]() Atmel |
![]() 8-bit Microcontrollers (MCU) AVR 128K FLSH-16MHz IND TEMP 5V |
![]() Data Sheet |
![]()
|
|
||||||||||||
(China (Mainland))










