Product Summary
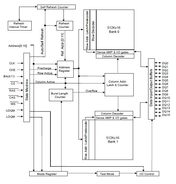
The Hynix HY57V161610ETP-6 is a 16,777,216-bits CMOS Synchronous DRAM, ideally suited for the main memory and graphic applications which require large memory density and high bandwidth. The HY57V161610ETP-6 is organized as 2banks of 524,288x16. It is offering fully synchronous operation referenced to a positive edge clock. All inputs and outputs of the HY57V161610ETP-6 are synchronized with the rising edge of the clock input.
Parametrics
HY57V161610ETP-6 absolute maximum ratings: (1)Ambient Temperature: -40 ~ 85 ℃; (2)Storage Temperature: -55 ~ 125 ℃; (3)Voltage on Any Pin relative to VSS: -1.0 ~ 4.6 V; (4)Voltage on VDD relative to VSS: -1.0 ~ 4.6 V; (5)Short Circuit Output Current: 50 mA; (6)Power Dissipation: 1 W; (7)Soldering Temperature·Time: 260·10 ℃ ·Sec.
Features
HY57V161610ETP-6 features: (1)Single 3.0V to 3.6V power supply; (2)All device pins are compatible with LVTTL interface; (3)JEDEC standard 400mil 50pin TSOP-II with 0.8mm of pin pitch; (4)All inputs and outputs referenced to positive edge of system clock; (5)Data mask function by UDQM/LDQM; (6)Internal two banks operation; (7)Auto refresh and self refresh; (8)4096 refresh cycles / 64ms.
Diagrams

![]() |
![]() HY57V121620(L)T |
![]() Other |
![]() |
![]() Data Sheet |
![]() Negotiable |
|
||||
![]() |
![]() HY57V161610D |
![]() Other |
![]() |
![]() Data Sheet |
![]() Negotiable |
|
||||
![]() |
![]() HY57V161610D-I |
![]() Other |
![]() |
![]() Data Sheet |
![]() Negotiable |
|
||||
![]() |
![]() HY57V161610E |
![]() Other |
![]() |
![]() Data Sheet |
![]() Negotiable |
|
||||
![]() |
![]() HY57V161610ET-I |
![]() Other |
![]() |
![]() Data Sheet |
![]() Negotiable |
|
||||
![]() |
![]() HY57V161610ETP-I |
![]() Other |
![]() |
![]() Data Sheet |
![]() Negotiable |
|
||||
(China (Mainland))








