Product Summary
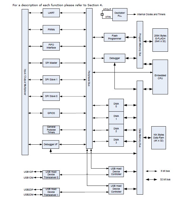
The VNC2-64L1A is a vinculum-II embedded dual USB host controller IC. The VNC2-64L1A is FTDI 2nd generation of USB Host device. The VNC2-64L1A has been upgraded from the previous VNC1L device, dramatically increasing the processing power. The IC architecture of the VNC2-64L1A has been designed to take care of most of the general USB data transfers, thus freeing up processing power for user applications. Flash and RAM memory of the VNC2-64L1A have been increased providing larger user areas of memory for the designer to incorporate his own code.
Parametrics
VNC2-64L1A absolute maximum ratings: (1)Ambient Temperature (Power Applied): -40 to +85℃; (2)Vcc Supply Voltage: 0 to +3.63V; (3)VCC_IO: 0 to +3.63V; (4)VCC_PLL_IN: 0 to + 1.98V; (5)DC Input Voltage - USBDP and USBDM: -0.5 to +(Vcc +0.5)V; (6)DC Input Voltage - High Impedance Bidirectional: -0.5 to +5.00V; (7)DC Input Voltage All other Inputs: -0.5 to +(Vcc +0.5)V; (8)DC Output Current Outputs: Default 4mA.
Features
VNC2-64L1A features: (1)Eight bit wide FIFO Interface; (2)Firmware upgrades via UART, SPI, and FIFO interface; (3)12MHz oscillator using external crystal; (4)General-purpose timers; (5)Software development suite of tools to create customised firmware. Compiler Linker Debugger IDE; (6)Available in six RoHS compliant packages - 32 LQFP, 32 QFN, 48 LQFP, 48 QFN, 64 LQFP and 64 QFN; (7)VNC2-48L1 package option compatible with VNC1L-1A.
Diagrams

| Image | Part No | Mfg | Description | ![]() |
Pricing (USD) |
Quantity | ||||
|---|---|---|---|---|---|---|---|---|---|---|
![]() |
![]() VNC2-64L1A-REEL |
![]() FTDI |
![]() USB Interface IC Obsolete see VNC-64L1B-REEL |
![]() Data Sheet |
![]() Negotiable |
|
||||
![]() |
![]() VNC2-64L1A-TRAY |
![]() FTDI |
![]() USB Interface IC Obsolete see VNC2-64L1B-TRAY |
![]() Data Sheet |
![]() Negotiable |
|
||||
(China (Mainland))









