Product Summary
The CMP04FP is a Precision Comparator. The Performance highlights of the CMP04FP include a very low offset voltage, low output saturation voltage, and high gain in a single-supply design. The input voltage range includes ground for single-supply operation and V- for split supplies. A low power supply current of 2 mA, which is independent of supply voltage, makes the CMP04FP for precision applications requiring minimal power consumption.
Parametrics
CMP04FP absolute maximum ratings: (1)Supply Voltage:+36 V or ±18 V; (2)Differential Input Voltage:36 V dc; (3)Input Voltage:–0.3 V to +36 V; (4)Junction Temperature:–65℃ to +150℃; (5)Storage Temperature Range:–65℃ to +150℃; (6)Input Current:50 mA; (7)Output Short Circuit to GND:Continuous; (8)Lead Temperature (Soldering, 60 sec):300℃.
Features
CMP04FP features: (1)High Gain: 200 V/mV Typ; (2)Single- or Dual-Supply Operation; (3)Input Voltage Range Includes Ground; (4)Low Power Consumption (1.5 mW/Comparator); (5)Low Input Bias Current: 100 nA Max; (6)Low Input Offset Current: 10 nA Max; (7)Low Offset Voltage: 1 mV Max; (8)Low Output Saturation Voltage: 250 mV @ 4 mA; (9)Logic Output Compatible with TTL, DTL, ECL, MOS, and CMOS; (10)Directly Replaces LM139/LM239/LM339 Comparators.
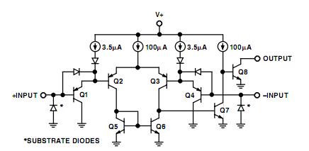
Diagrams

![]() |
![]() CMP04 |
![]() Other |
![]() |
![]() Data Sheet |
![]() Negotiable |
|
||||||||||||||||
![]() |
![]() CMP04FS |
![]() |
![]() IC COMPARATOR QUAD LP 14-SOIC |
![]() Data Sheet |
![]()
|
|
||||||||||||||||
![]() |
![]() CMP04FS-REEL |
![]() |
![]() IC COMPARATOR QUAD LP 14-SOIC |
![]() Data Sheet |
![]()
|
|
||||||||||||||||
![]() |
![]() CMP04FSZ |
![]() |
![]() IC COMPARATOR QUAD LP 14-SOIC |
![]() Data Sheet |
![]()
|
|
||||||||||||||||
![]() |
![]() CMP04FSZ-REEL |
![]() |
![]() IC COMPARATOR QUAD LP 14SOIC |
![]() Data Sheet |
![]()
|
|
||||||||||||||||
![]() |
![]() CMP05AZ/883 |
![]() Other |
![]() |
![]() Data Sheet |
![]() Negotiable |
|
||||||||||||||||
(China (Mainland))









