Product Summary
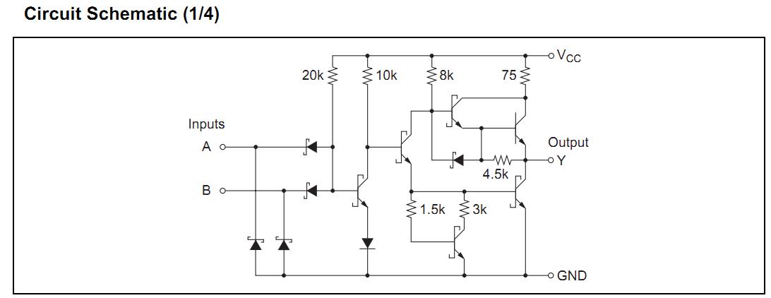
The HD74LS08P is a Quadruple 2-Input Positive AND Gate.
Parametrics
HD74LS08P absolute maximum ratings: (1)Supply voltage, VCC: 7 V; (2)Input voltage, VIN: 7 V; (3)Power dissipation, PT: 400 mW; (4)Storage temperature, Tstg: –65 to +150℃.
Features
HD74LS08P features: (1)Input voltage, VIH: 2.0V min; VIL: 0.8 V max; (2)Output voltage, VOH: 2.7V; VOL: 0.5V max; (3)Input current, IIH: 20 μA max; IIL: –0.4 mA max; II: 0.1 mA max; (4)Short-circuit output current, IOS: –20 to–100 mA; ICCH: 2.4mA typ, 4.8 mA max; (5)Supply current, ICCL: 4.4mA typ, 8.8 mA max; (6)Input clamp voltage, VIK:–1.5 V max.
Diagrams

![]() |
![]() HD7425FPA |
![]() Other |
![]() |
![]() Data Sheet |
![]() Negotiable |
|
||||
![]() |
![]() HD74AC |
![]() Other |
![]() |
![]() Data Sheet |
![]() Negotiable |
|
||||
![]() |
![]() HD74AC00 |
![]() Other |
![]() |
![]() Data Sheet |
![]() Negotiable |
|
||||
![]() |
![]() HD74AC02 |
![]() Other |
![]() |
![]() Data Sheet |
![]() Negotiable |
|
||||
![]() |
![]() HD74AC04 |
![]() Other |
![]() |
![]() Data Sheet |
![]() Negotiable |
|
||||
![]() |
![]() HD74AC04FP-EL |
![]() Other |
![]() |
![]() Data Sheet |
![]() Negotiable |
|
||||
(China (Mainland))








