Product Summary
The QM300HA-H is a insulated type high power switching.
Parametrics
QM300HA-H absolute maximum ratings: (1)VCEX (SUS), Collector-emitter voltage, IC=1A, VEB=2V: 600V; (2)VCEX, Collector-base voltage, when VEB=2V: 600V; (3)VCBO, Emitter-base voltage, when Emitter open: 600V; (4)VEBO, Collector current, when Collector open: 7V; (5)IC, Collector reverse current: 300A; (6)–IC, Collector dissipation:300A; (7)PC, Base current when TC=25℃: 1560W; (8)IB, DC: 18A.
Features
QM300HA-H features: (1)IC Collector current 300A; (2)VCEX Collector-emitter voltage 600V; (3)hFE DC current gain 750; (4)Insulated Type; (5)UL Recognized.
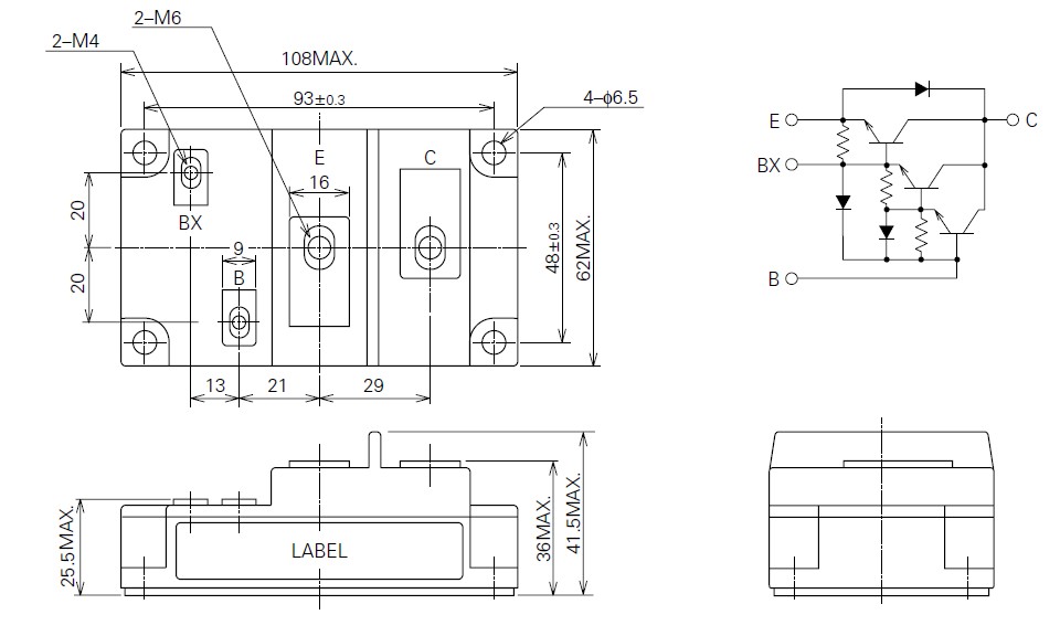
Diagrams

| Image | Part No | Mfg | Description | ![]() |
Pricing (USD) |
Quantity | ||||
|---|---|---|---|---|---|---|---|---|---|---|
![]() |
![]() QM300HA-H |
![]() Other |
![]() |
![]() Data Sheet |
![]() Negotiable |
|
||||
![]() |
![]() QM300HA-HB |
![]() Other |
![]() |
![]() Data Sheet |
![]() Negotiable |
|
||||
(China (Mainland))









