Product Summary
The 7MBR35SB120-50 is an IGBT module. The applications of it are Inverter for motor drive, AC and DC servo drive amplifier, Uninterruptible power supply.
Parametrics
7MBR35SB120-50 absolute maximum ratings: (1)Inverter Collector-Emitter voltage:1200V; (2)Inverter Gate-Emitter voltage:±20V; (3)Inverter Collector power dissipation:240W; (4)Brake Collector-Emitter voltage:1200V; (5)Brake Gate-Emitter voltage:±20V; (6)Brake Collector power dissipation:180W; (7)Brake Repetitive peak reverse voltage:1200V; (8)Converter Repetitive peak reverse voltage:1600V; (9)Converter Average output current:35A; (10)Operating junction temperature:+150℃; (11)Storage temperature:-40℃ to +125℃.
Features
7MBR35SB120-50 features: (1)Low VCE(sat); (2)Compact package; (3)P.C. board mount; (4)Converter diode bridge, Dynamic brake circuit.
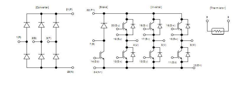
Diagrams

|  |  7MBR 10SA-120 |  Other |  |  Data Sheet |  Negotiable |  | ||||
|  |  7MBR100SB060 |  Other |  |  Data Sheet |  Negotiable |  | ||||
|  |  7MBR100SD060 |  Other |  |  Data Sheet |  Negotiable |  | ||||
|  |  7MBR100U4B120 |  Other |  |  Data Sheet |  Negotiable |  | ||||
|  |  7MBR10NE120 |  Other |  |  Data Sheet |  Negotiable |  | ||||
|  |  7MBR10SA120 |  Other |  |  Data Sheet |  Negotiable |  | ||||
 (China (Mainland))
 (China (Mainland)) 
                         
                        
 
                                    




