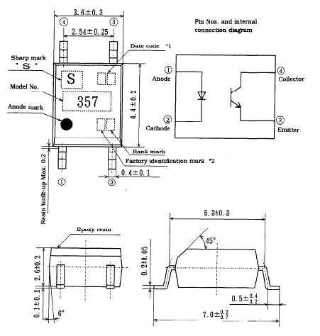
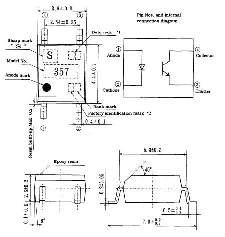
Product Summary
The pc357 is a photocoulper.
Parametrics
pc357 absolute maximum ratings: (1)forward current: 50 mA; (2)peak forward current: 1 A; (3)reverse voltage: 6 V; (4)power dissipation: 70 mW; (5)collector-emitter voltage: 35 V; (6)emitter-collector voltage: 6V; (7)collector current: 50 mA; (8)collector power dissipation: 150 mW; (9)total power dissipation: 170 mW; (10)operating temeprature: -30 to +100 ℃; (11)storage temeprature: -40 to +125 ℃.
Features
pc357 electro-optical characteristics: (1)forward voltage: 1.2 V at IF=20 mA; (2)reverse current: 10 μA at VR=4V; (3)terminal capacitance: 30 pF; (4)dark current: 100 nA max; (5)collector-emitter breakdown voltage: 35 V min; (6)emitter-collector breakdown voltage: 6 V min; (7)collector current: 2.5 to 30 mA; (8)collector-emitter saturation voltage: 0.1 V.
Diagrams

| Image | Part No | Mfg | Description | ![]() |
Pricing (USD) |
Quantity | ||||||||||||||
|---|---|---|---|---|---|---|---|---|---|---|---|---|---|---|---|---|---|---|---|---|
![]() |
![]() PC357M0J000F |
![]() Sharp Microelectronics |
![]() Transistor Output Optocouplers High Temp Tested PC357N0J000F |
![]() Data Sheet |
![]()
|
|
||||||||||||||
![]() |
![]() PC357M15J00F |
![]() Sharp Microelectronics |
![]() Transistor Output Optocouplers Photocoupler Mini-flat General |
![]() Data Sheet |
![]()
|
|
||||||||||||||
![]() |
![]() PC357M1TJ00F |
![]() Sharp Microelectronics |
![]() Transistor Output Optocouplers Hi Temp Tested PC357N1TJ00F |
![]() Data Sheet |
![]()
|
|
||||||||||||||
![]() |
![]() PC357M2TJ00F |
![]() Sharp Microelectronics |
![]() Transistor Output Optocouplers Hi Temp Tested PC357N2TJ00F |
![]() Data Sheet |
![]()
|
|
||||||||||||||
![]() |
![]() PC357M3J000F |
![]() Sharp Microelectronics |
![]() Transistor Output Optocouplers High Temp Tested PC357N3J000F |
![]() Data Sheet |
![]()
|
|
||||||||||||||
![]() |
![]() PC357M3TJ00F |
![]() Sharp Microelectronics |
![]() Transistor Output Optocouplers Hi Temp Tested PC357N3TJ00F |
![]() Data Sheet |
![]()
|
|
||||||||||||||
![]() |
![]() PC357M5J000F |
![]() Sharp Microelectronics |
![]() Transistor Output Optocouplers High Temp Tested PC357N5J000F |
![]() Data Sheet |
![]() Negotiable |
|
||||||||||||||
![]() |
![]() PC357N0TJ00F |
![]() Sharp Microelectronics |
![]() Transistor Output Optocouplers 80-600% CTR ranked PC357NTJ000F |
![]() Data Sheet |
![]()
|
|
||||||||||||||
(China (Mainland))










