Product Summary
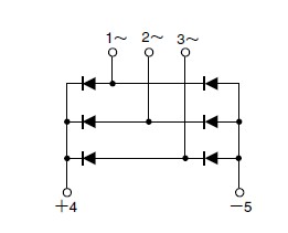
The DF200AA160 is a three phases bridge type diode. Power Diode Module DF200AA160 is designed for three phase full wave rectification, which has six diodes connected in a three phase bridge configuration. The mounting base of the module is electrically isolated from semiconductor elements for simple heatsink construction. Output DC current of the DF200AA160 is 200Amp(Tc=96℃) Repetitive peak reverse voltage is up to 1,600V.
Parametrics
DF200AA160 absolute maximum ratings: (1)VRRM, Repetitive Peak Reverse Voltage: 1600V; (2)VRSM, Non-Repetitive Peak Reverse Voltage: 1700V; (3)ID Output Current(D.C.)when three Phase full wave. TC=96℃: 200 A; (4)IFSM, Surge Forward Current when 1 cycle, 50/60HZ, peak value, non-repetitive: 1850/2000A; (5)I2t, Value for one cycle of surge current: 6000A2S.
Features
DF200AA160 features: (1)TjMax=150℃; (2)Isolated mounting base; (3)High reliability by unique glass passivation.
Diagrams

| Image | Part No | Mfg | Description | ![]() |
Pricing (USD) |
Quantity | ||||||
|---|---|---|---|---|---|---|---|---|---|---|---|---|
![]() |
![]() DF200AA160 |
![]() Other |
![]() |
![]() Data Sheet |
![]() Negotiable |
|
||||||
| Image | Part No | Mfg | Description | ![]() |
Pricing (USD) |
Quantity | ||||||
![]() |
![]() DF20 |
![]() Other |
![]() |
![]() Data Sheet |
![]() Negotiable |
|
||||||
![]() |
![]() DF2005-G |
![]() |
![]() RECTIFIER BRIDGE 2.0A 50V DF |
![]() Data Sheet |
![]()
|
|
||||||
![]() |
![]() DF2005S-G |
![]() |
![]() RECTIFIER BRIDGE 2.0A 50V DF |
![]() Data Sheet |
![]()
|
|
||||||
![]() |
![]() DF2005ST-G |
![]() |
![]() RECTIFIER BRIDGE 2.0A 50V DF |
![]() Data Sheet |
![]()
|
|
||||||
![]() |
![]() DF200AA120 |
![]() Other |
![]() |
![]() Data Sheet |
![]() Negotiable |
|
||||||
![]() |
![]() DF200AA160 |
![]() Other |
![]() |
![]() Data Sheet |
![]() Negotiable |
|
||||||
(China (Mainland))









